ABC Stores #201

Ala Moana, Honolulu County, Hawaii

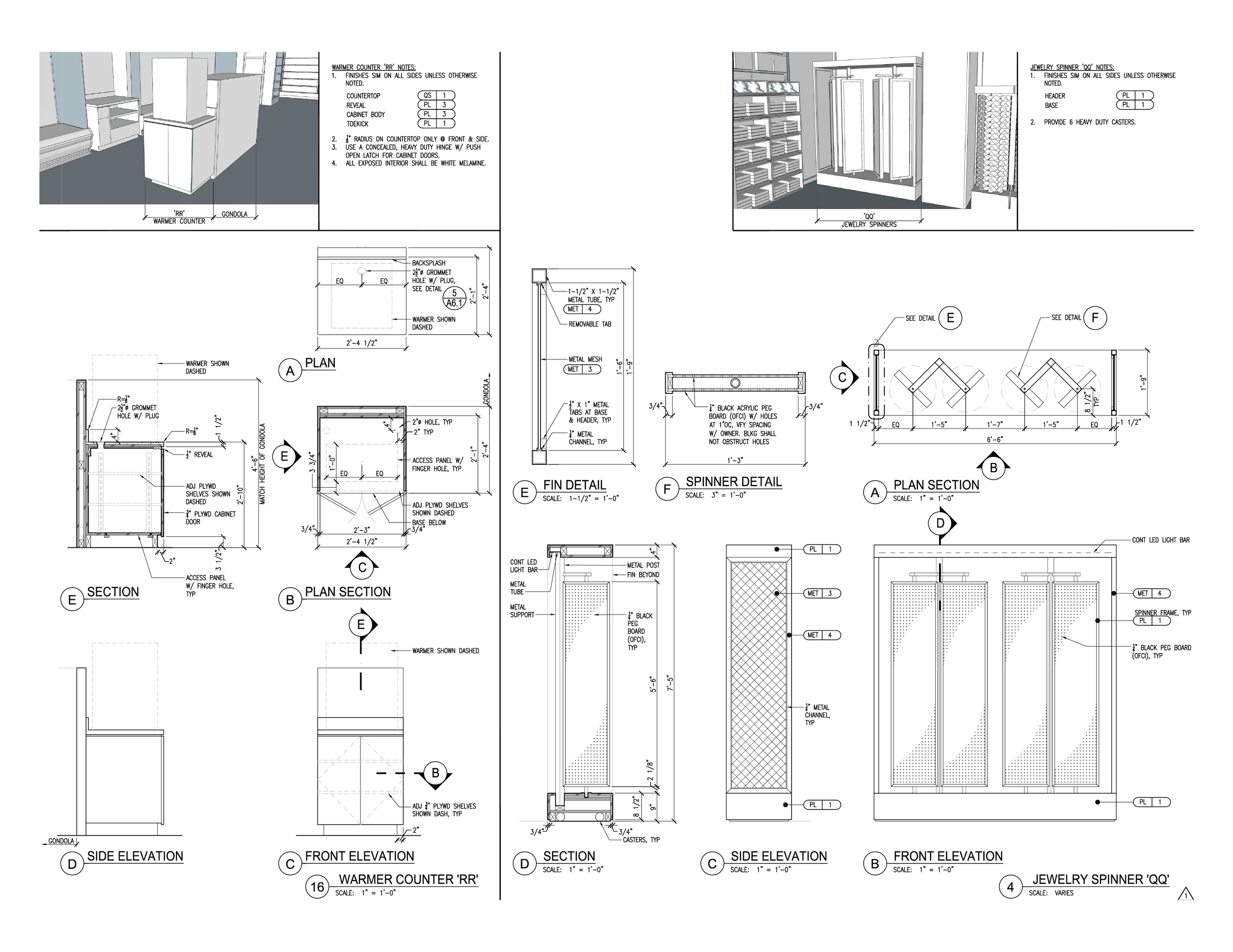
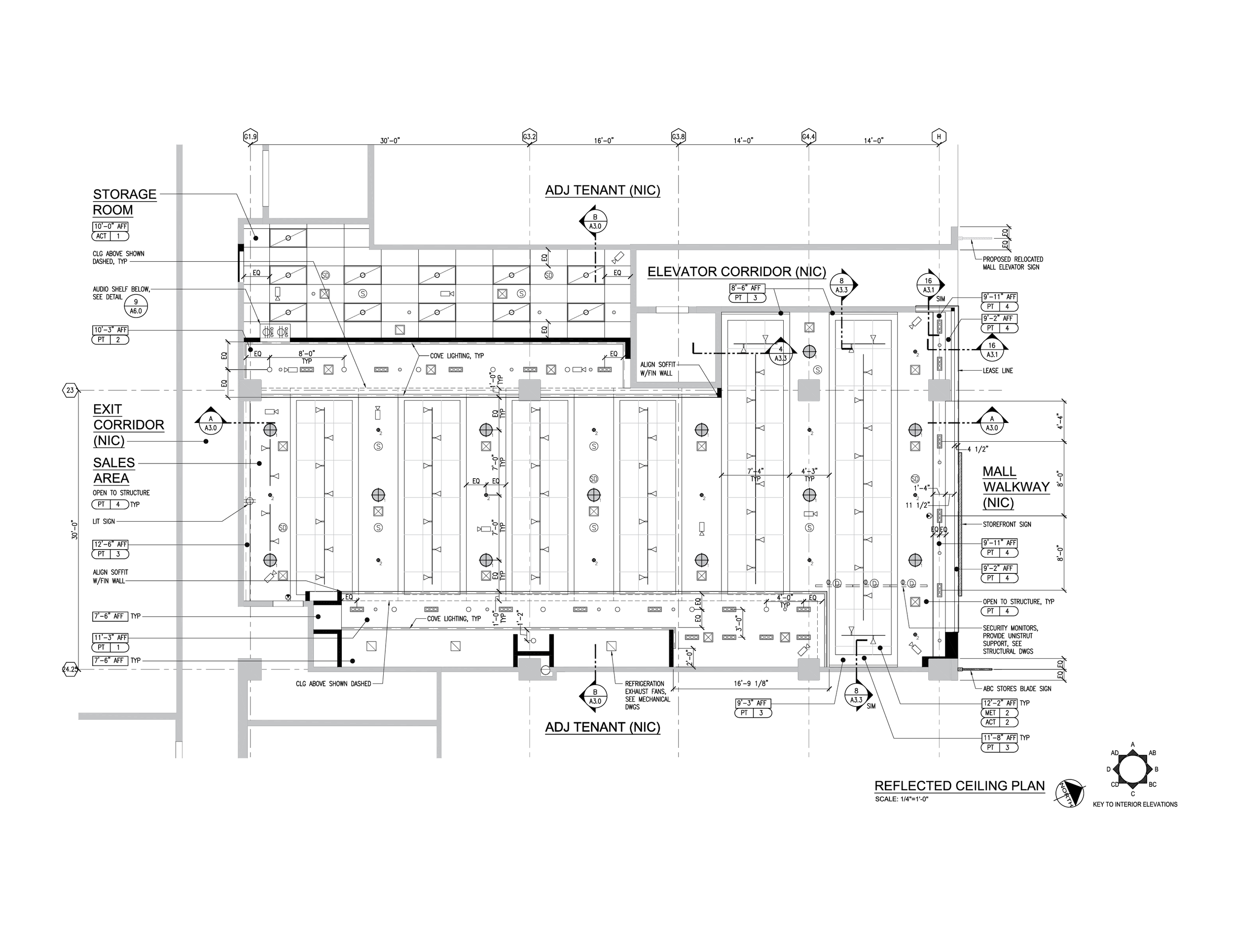
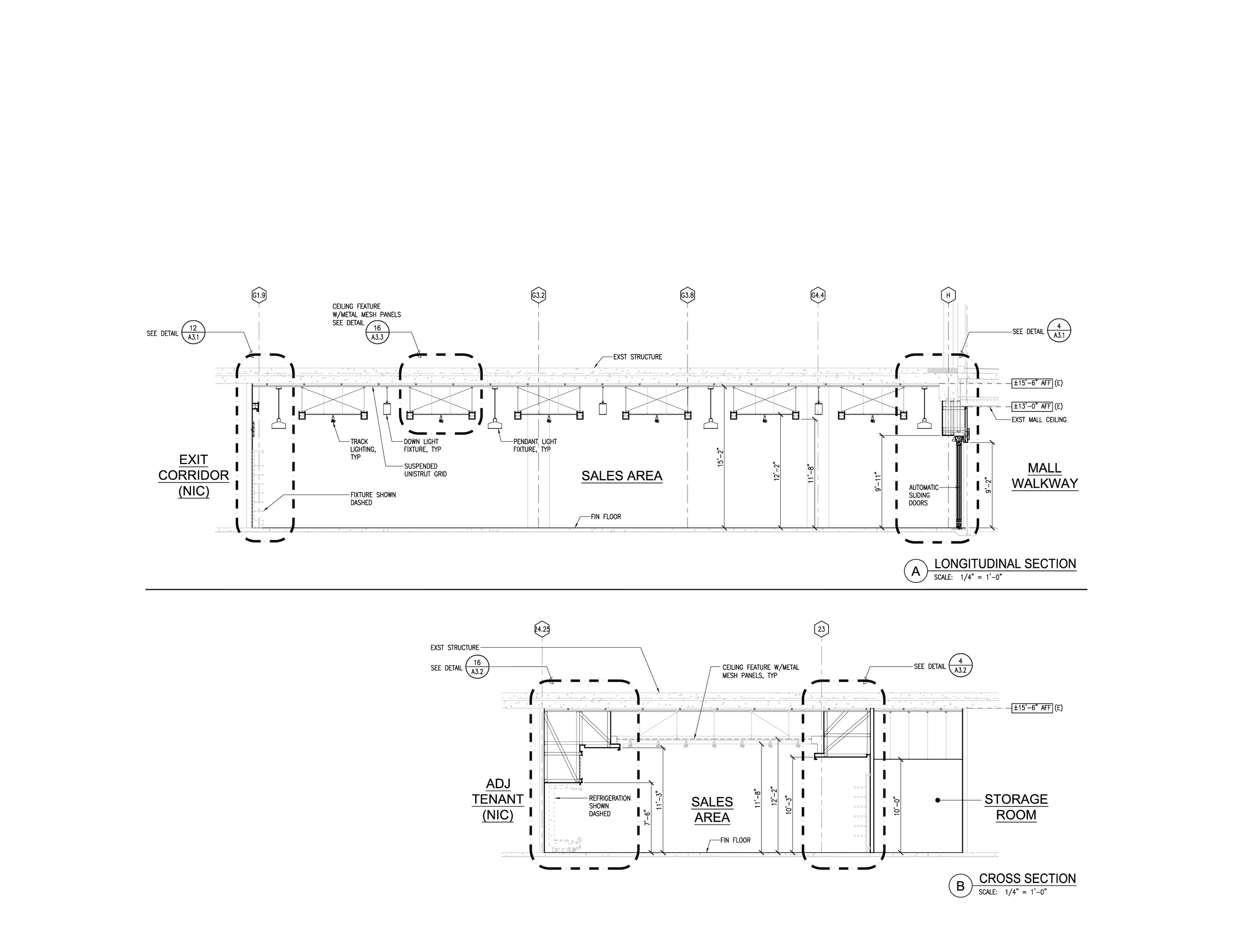
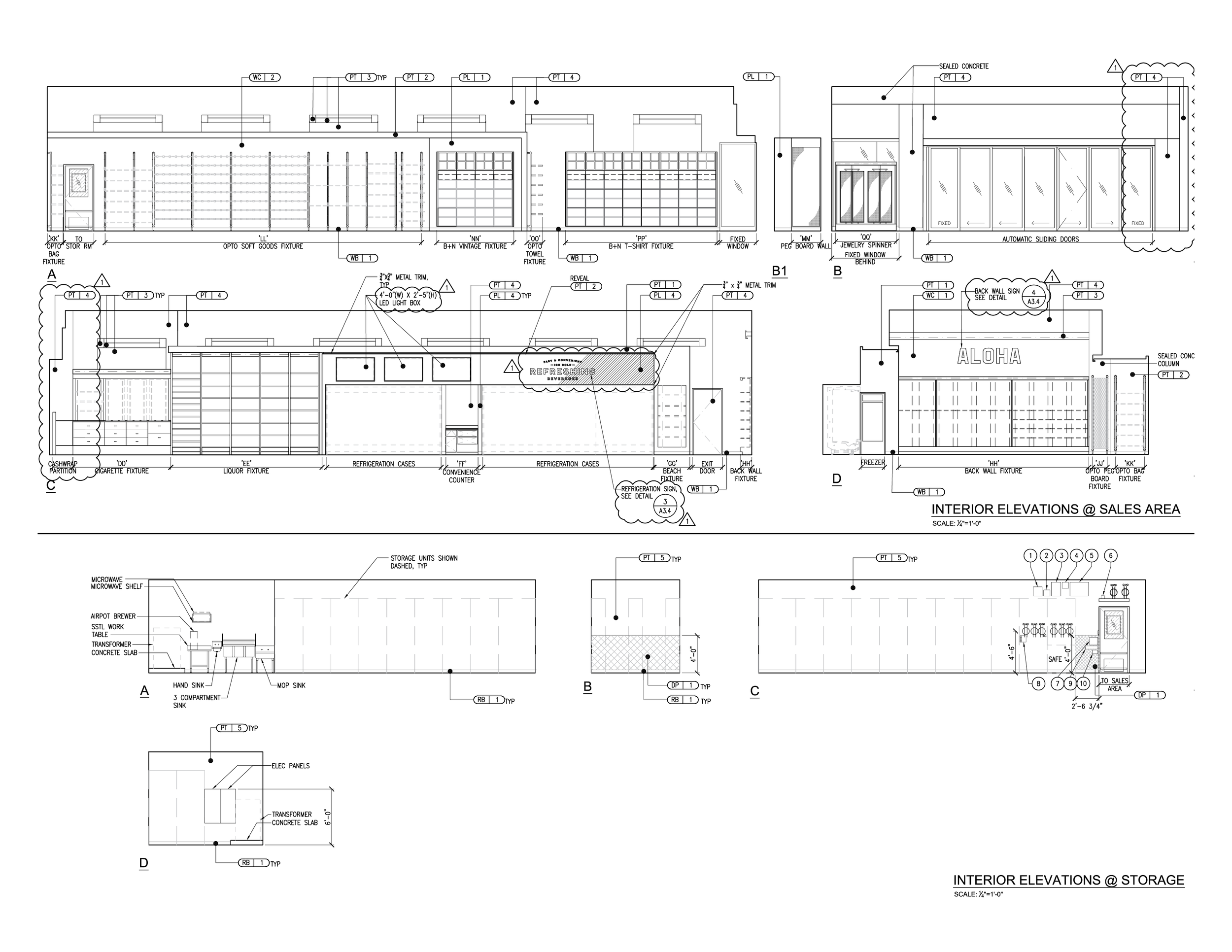
Located within Ala Moana Shopping Center, ABC Stores No. 201 is a tenant improvement project that blends industrial aesthetics with vibrant finishes. As the architectural designer, I was responsible for the project’s design development and production of the construction document set. The design features metal grille ceiling panels, industrial-style light fixtures, and the use of polished concrete flooring to emphasize the store’s modern industrial character. Pops of color throughout the finishes add energy to the retail experience. SketchUp and Adobe Creative Suite were used for early studies and client presentations, while AutoCAD was used to complete construction documents.

Previous
Previous

ABC Stores #39

Next
Next

Island Country Markets #95